平衡閥說明書
平衡閥
平衡閥|
用途與特征
在液壓系統工作時,當油缸活塞上(或馬達軸上)的阻力急劇減少,甚至阻力變成負值時,平衡閥使回油路上建立背壓,防止油缸(或油馬達)在負載作用下運動過速。
在液壓起重機的起升,變幅和伸縮油路中均設有此閥。

在液壓起重機的起升,變幅和伸縮油路中均設有此閥。

性能參數


液壓原理圖

XD4F-00平衡閥外形及連接尺寸

PHY-GQ20平衡閥外形及連接尺寸

PHY-G25平衡閥外形及連接尺寸

PHY-GQ20平衡閥外形及連接尺寸

PHY-G25平衡閥外形及連接尺寸

LTJS100 平衡閥外形及連接尺寸

LTPHF平衡閥液壓原理圖

LTPHF平衡閥外形及連接尺寸

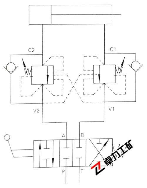
雙向平衡閥液壓原理圖

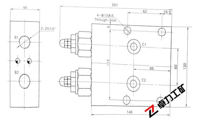
LTSXPHF平衡閥外形及連接尺寸

150J-08203平衡閥外形及連接尺寸

卓力工礦是國內知名平衡閥生產廠家,有豐富的經驗為客戶提供高品質的平衡閥及完善的售后服務,如果您想了解最新平衡閥價格或者更詳細信息,歡迎撥打服務熱線:13280082001 18605374511.或者聯系在線客服:
點擊這里、立刻咨詢;我們攜程為您服務!
常見問題:平衡閥發貨時間? 平衡閥售后保障? 平衡閥訂貨需要提供什么信息?
產品標簽:平衡閥| |
上一篇:PZF-F15L-B平衡制動閥
下一篇:雙向液壓鎖