FGY液壓高位翻車機說明書
FGY液壓高位翻車機
FGY液壓高位翻車機|FGY1.0-6高位翻車機|FGY1.5-6高位翻車機
FGY系列液壓高位翻車機適用于煤礦矸石與煤炭運輸裝載專用設備。該系列液壓高位翻車機為全液壓傳動、配合 1 噸或 1.5 噸固定礦車使用,將礦物直接側卸于汽車或其他運輸設備上。該設備結構簡單、重量 輕、體積小、可整機遷運或拆機運輸,而且不需很深的地下建筑和 其它設備就可轉載礦物。該機適用于建井施工單位采用汽車排矸 或用汽車轉運煤的礦井使用。
FGY系列液壓高位翻車機用于將礦車中的礦物側裝入自卸式載重汽車上或其它運輸設備上。該設備結構簡單,運行平穩,生產環節少,不需要很深的地下建筑就可換裝,節約基建投資,可廣泛用于煤炭、冶金、化工、建材等行業,對于采用汽車排矸或用汽車外銷煤的礦井較為適用。
FGY液壓高位翻車機型號含義

FGY高位翻車機的技術參數
FGY液壓高位翻車機技術參數表產品型號 | FGY-1型 | FGY-1.5型 |
礦車適用噸位 | 1T | 1.5T |
卸載高度 | 1670mm | 1670mm |
卸載時礦車傾角 | 55° | 55° |
轉臂翻轉角度 | 145° | 145° |
液壓缸工作壓力 | 16MPa | 16MPa |
每分鐘翻車次數 | 2次 | 2次 |
生產能力 | 煤120噸/小時 | 煤180噸/小時 |
矸石210噸/小時 | 矸石320噸/小時 |
FGY1.0-6液壓高位翻車機技術參數
生 產 能 力 |
翻車次數 | 2次/分鐘 |
翻 車 機 |
卸載高度(自軌面至擋板端部) | 1600mm | ||
煤炭 | 120t/n | 卸載時礦車傾角 | 45° | ||||
矸石 | 217t/n | 轉臂旋轉角度 | 145° | ||||
承載礦車型號 | MGC1.0-6 | 液壓缸工作壓力 | 8.5MPa | ||||
液 壓 站 |
電 動 機 |
型號 | Y200L-4 |
翻 轉 缸 |
翻轉液壓缸內徑 | Φ125mm | |
轉速 | 1470轉/分 | 飯莊液壓缸活塞行程 | 952mm | ||||
功率 | 30KW | 翻轉液壓缸推力 | 104KN | ||||
油 泵 |
形式 | 齒輪泵 | 復位缸 | 復位缸內徑 | 125mm | ||
最大流量 | 190L/mm | 復位缸行程 | 160mm | ||||
工作壓力 | 16MPa | 設備總重量 | 3180kg |
FGY1.5-6液壓高位翻車機技術參數
生 產 能 力 |
翻車次數 | 2次/分鐘 |
翻 車 機 |
卸載高度(自軌面至擋板端部) | 1600mm | ||
煤炭 | 180t/n | 卸載時礦車傾角 | 45° | ||||
矸石 | 326t/n | 轉臂旋轉角度 | 145° | ||||
承載礦車型號 | MGC1.5-6 | 液壓缸工作壓力 | 10MPa | ||||
液 壓 站 |
電 動 機 |
型號 | Y225S-4 |
翻 轉 缸 |
翻轉液壓缸內徑 | Φ125mm | |
轉速 | 1480轉/分 | 飯莊液壓缸活塞行程 | 952mm | ||||
功率 | 37KW | 翻轉液壓缸推力 | 104KN | ||||
油 泵 |
形式 | 齒輪泵 | 復位缸 | 復位缸內徑 | 125mm | ||
最大流量 | 190L/mm | 復位缸行程 | 160mm | ||||
工作壓力 | 16MPa | 設備總重量 | 4037kg |
運輸貯存
液壓高位翻車機在運輸過程中,裝車漆起吊時要平穩牢固。液壓站、操作柜不得有碰撞現象,在露天存放時要增加防雨措施。
電器操作系統
液壓高位翻車機配有電器,液壓操作柜,操作柜裝有起動按鈕,停止按鈕和液壓操作閥來控制。
當翻車機到位時有干簧式行程開關控制電磁閥電源斷電。
潤滑與供油系統
本產品靠液壓站轉動而工作,液壓站具體參數有油箱容量1000L。設備運轉由齒輪泵供油;操作手動閥桿使油缸工作,使轉臂油缸行程到952mm;卸載后靠復位油缸來工作行程到160mm時使設備復位。
設備轉臂軸留有注油孔,轉臂缸和復位缸兩接頭與軸聯接處每班注油一次。
安裝、調試和試運轉
安裝
安裝高位翻車機與液壓站運到安裝位置,用地腳螺栓固定在底架上。接通各供油點,油箱內加好液壓油,接通液壓站電源。
調試
檢查各安裝位置,緊固件是否牢固,油管接頭是否漏油,轉臂翻轉是否靈活,無卡阻現象。兩套干簧式行程開關的位置應調試到合適位置。
試運轉
設備裝配。調試完畢后,應進行2-3次翻車試驗,翻轉過程中應轉動靈活,無任何卡阻現象。方可使用工作。

維護與保養
檢查轉臂缸和復位缸的供油情況,檢查郵箱的液壓油油位高度,如油位低需加油,轉臂缸和復位缸的鏈接銷軸是否有磨損現象,轉臂軸與缸兩接頭處每班注油一次,復位缸支承軸承緊固件是否牢固,液壓站郵箱液壓油每年更換一次。
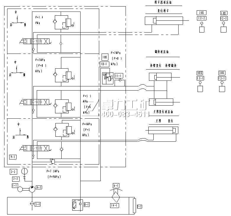
FGY型1噸、1.5噸高位翻車機液壓系統參數
技術要求
① 圖中各液壓元件標注的壓力值為系統條定的壓力值,括號內的參數為FY型1.5噸高位翻車機參數。
② 不帶液壓推車機的Z型多路換向閥無第三聯。

技術要求
① 圖中各液壓元件標注的壓力值為系統條定的壓力值,括號內的參數為FY型1.5噸高位翻車機參數。
② 不帶液壓推車機的Z型多路換向閥無第三聯。
序號 | 代號 | 名稱 | 數量 | 備注 |
1 | Y200L B3 | 電機 | 1 | 1470rm 30KW |
2 | YTN-100 0-25MPa | 耐震壓力表 | 1 | 在操作臺上 |
3 | KF-L8/20E | 壓力表開關 | 1 | 在操作臺上 |
4 | CB-G3140 | 齒輪泵 | 1 | q=140.3ml/r P=16MPa |
5 | WU-400x100 | 網式濾油器 | 1 | |
6 | EF5-65 | 空氣濾清器 | 1 | |
7 | YWZ-350T | 液位液溫計 | 1 | |
8 | LHN-400x10F-C | 回油濾油器 | 1 | |
9 | 第一聯:ZL25E-05T | Z型多路換向閥 | 1 | Q=160L/min P=16MPa |
第二聯:ZL25E-04T | Z型多路換向閥 | 1 | Q=160L/min P=16MPa | |
第三聯:ZL25E-05T | Z型多路換向閥 | 1 | Q=160L/min P=16MPa | |
10 | DBW20A-1-50/200U6AW220-50N75L | 電磁溢流閥 | 1 | |
11 | MK25G1.2/2 | 單向節流閥 | 1 | 常開非記憶式 |
12 | GXK-2-013/12 | 干簧管行程開關(包括磁鐵) | 2 | 常閉-常開非記憶式 |
13 | GXK-2-015/10 | 干簧管行程開關(包括磁鐵) | 2 | |
14 | 油箱 | 1 | 自制 |
FGY型1噸、1.5噸高位翻車機液壓系統原理圖


卓力工礦是國內知名FGY液壓高位翻車機生產廠家,有豐富的經驗為客戶提供高品質的FGY液壓高位翻車機及完善的售后服務,如果您想了解最新FGY液壓高位翻車機價格或者更詳細信息,歡迎撥打服務熱線:13280082001 18605374511.或者聯系在線客服:
點擊這里、立刻咨詢;我們攜程為您服務!
常見問題:FGY液壓高位翻車機發貨時間? FGY液壓高位翻車機售后保障? FGY液壓高位翻車機訂貨需要提供什么信息?
產品標簽:FGY液壓高位翻車機|
FGY1.0-6高位翻車機|FGY1.5-6高位翻車機
|
上一篇:沒有了!
下一篇:FZ轉子式翻車機