GCJX工程機械用多路換向閥說明書
GCJX工程機械用多路換向閥
GCJX工程機械用多路換向閥|4GCJX-G12L-40-4T-4C-4C G18L G25L 多路換向閥
用途與特征
GCJX型系列工程機械用多路換向閥,是采用日本內田油壓UCD,D04T、D08T、D10T多路換向閥技術研制而成。各項性能完全等同于德國力士樂SM12、SM18、SM25多路換向閥。
主要適用于小型挖掘機、裝載機、起重機、隨車起重機、鉆機及其它工程機械,該閥最多可以控制10個工作機構,能夠滿足廣大用戶要求。
主要適用于小型挖掘機、裝載機、起重機、隨車起重機、鉆機及其它工程機械,該閥最多可以控制10個工作機構,能夠滿足廣大用戶要求。
GCJX系列多路換向閥由進油閥體(帶安全閥)、標準換向閥體和回油閥體組合而成。可單泵和多泵供油,控制方式有手動和液控兩種。并且可根據不同用戶要求,任意組合成不同用途的多路換向閥。
該閥體采用鑄造油道,片式結構,具有體積小、流量大、壓力損失小、集成度高、操縱力小、結構緊湊等優點。
該閥體采用鑄造油道,片式結構,具有體積小、流量大、壓力損失小、集成度高、操縱力小、結構緊湊等優點。
性能參數
通徑 | 公稱壓力 | 公稱流量 | 許用背壓 |
12 | 25 | 70 | 2 |
18 | 25 | 150 | 2 |
25 | 25 | 300 | 2 |

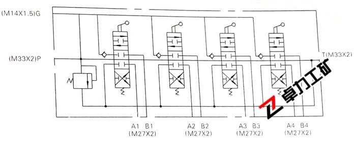
4GCJX-G12L-40-4T-4C-4C工程機械用多路換向閥液壓原理圖

4GCJX-G12L-40-4T-4C-4C工程機械用多路換向閥外形及連接尺寸

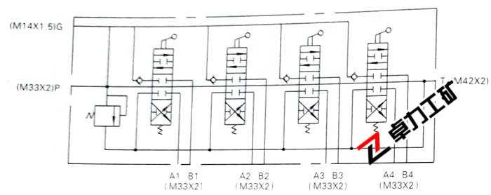
4GCJX-G18L-40-4T-4C-4C工程機械用多路換向閥液壓原理圖

4GCJX-G18L-40-4T-4C-4C工程機械用多路換向閥外形及連接尺寸

4GCJX-G25L-40-4T-4C-4C工程機械用多路換向閥液壓原理圖

4GCJX-G25L-40-4T-4C-4C工程機械用多路換向閥外形及連接尺寸


卓力工礦是國內知名GCJX工程機械用多路換向閥生產廠家,有豐富的經驗為客戶提供高品質的GCJX工程機械用多路換向閥及完善的售后服務,如果您想了解最新GCJX工程機械用多路換向閥價格或者更詳細信息,歡迎撥打服務熱線:13280082001 18605374511.或者聯系在線客服:
點擊這里、立刻咨詢;我們攜程為您服務!
常見問題:GCJX工程機械用多路換向閥發貨時間? GCJX工程機械用多路換向閥售后保障? GCJX工程機械用多路換向閥訂貨需要提供什么信息?
產品標簽:GCJX工程機械用多路換向閥|
4GCJX-G12L-40-4T-4C-4C G18L G25L 多路換向閥
|
上一篇:DL多路換向閥
下一篇:DLYS采煤礦機多路換向閥