ZTXCF整體下車多路換向閥說明書
ZTXCF整體下車多路換向閥
ZTXCF整體下車多路換向閥|ZTXCF-5多路換向閥
用途與特征
ZTXCF型多路換向閥,采用整體鑄造結構。
具有體積小、流量大、壓力損失小、集成度高、操縱力小、結構緊湊等優點。
主要用于全液壓汽車起重機的下車操縱控制,高空作業車下車操縱控制和全液壓隨車吊的操縱控制。
具有體積小、流量大、壓力損失小、集成度高、操縱力小、結構緊湊等優點。
主要用于全液壓汽車起重機的下車操縱控制,高空作業車下車操縱控制和全液壓隨車吊的操縱控制。
性能參數
通徑 | 公稱壓力 | 公稱流量 | 許用背壓 | 先導控制壓力 |
10 | 25 | 100 | 3 | - |

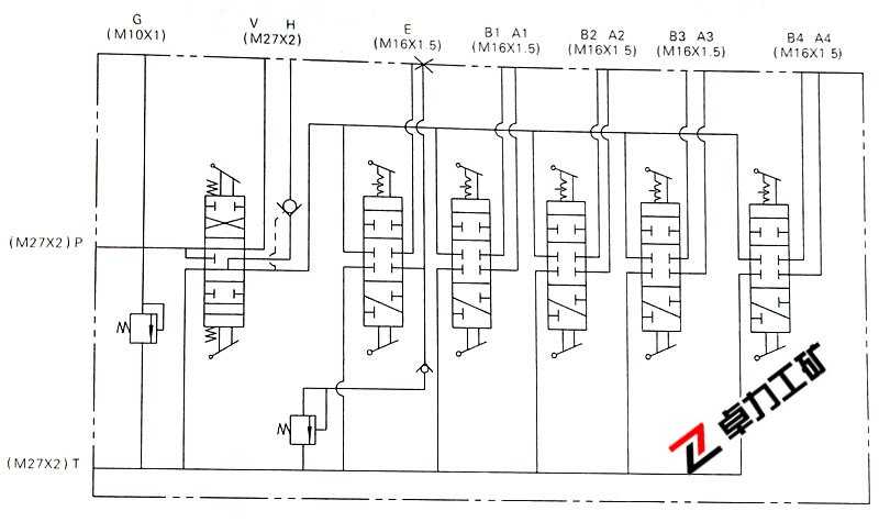
液壓原理圖

外形及連接尺寸

卓力工礦是國內知名ZTXCF整體下車多路換向閥生產廠家,有豐富的經驗為客戶提供高品質的ZTXCF整體下車多路換向閥及完善的售后服務,如果您想了解最新ZTXCF整體下車多路換向閥價格或者更詳細信息,歡迎撥打服務熱線:13280082001 18605374511.或者聯系在線客服:
點擊這里、立刻咨詢;我們攜程為您服務!
常見問題:ZTXCF整體下車多路換向閥發貨時間? ZTXCF整體下車多路換向閥售后保障? ZTXCF整體下車多路換向閥訂貨需要提供什么信息?
產品標簽:ZTXCF整體下車多路換向閥|
ZTXCF-5多路換向閥
|
上一篇:ZFS型組合式多路換向閥
下一篇:DL-G10L型多路換向閥