LT-M7-1577全負載敏感多路換向閥說明書
LT-M7-1577全負載敏感多路換向閥
LT-M7-1577全負載敏感多路換向閥|
用途與特征
LT-M7-1577全負載敏感多路換向閥是根據國內工程機械液壓系統最新要求,即高壓大流量和節能的要求,并吸收國際先進的全負載敏感多路換向技術而研發的新產品。
該產品采用L∪DV系統。
LUDV表示與負載壓力無關的流量分配,各LUDV壓力補償器均與最高壓力有關。
如果L∪DV系統內發生流量不足,即油泵不能提供足夠的流量以所要求速度去操縱各執行器,則各執行器將按比例減少速度。
LUDV系統的一大優點是,如果發生供油不足,不會有任何執行器停止工作。
該全負載敏感多路換向閥主要是應用于負載壓力無關的流量分配(LUDV)的閉心式變量泵,該閥內設有負載保持閥、二次壓力安全閥,流量負載壓力補償閥。該閥重復精度高,滯環低,采用了液壓先導比例控制。可通過閥芯行程限位進行流量調節。該閥最多可控制8個執行元件。
性能參數
通徑 | 公稱壓力 | 公稱流量 | 許用背壓 | 先導控制壓力 |
28 | 38 | 400 | 3 | 0.6-2.5 |

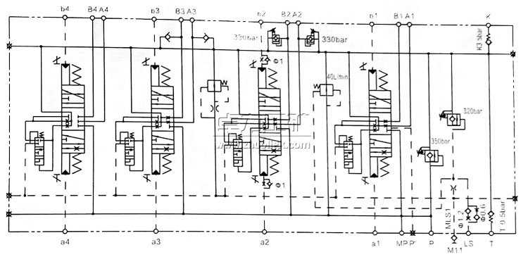
液壓原理圖

外形及連接尺寸

卓力工礦是國內知名LT-M7-1577全負載敏感多路換向閥生產廠家,有豐富的經驗為客戶提供高品質的LT-M7-1577全負載敏感多路換向閥及完善的售后服務,如果您想了解最新LT-M7-1577全負載敏感多路換向閥價格或者更詳細信息,歡迎撥打服務熱線:13280082001 18605374511.或者聯系在線客服:
點擊這里、立刻咨詢;我們攜程為您服務!
常見問題:LT-M7-1577全負載敏感多路換向閥發貨時間? LT-M7-1577全負載敏感多路換向閥售后保障? LT-M7-1577全負載敏感多路換向閥訂貨需要提供什么信息?
產品標簽:LT-M7-1577全負載敏感多路換向閥| |