PCV22負載敏感多路換向閥說明書
PCV22負載敏感多路換向閥
PCV22負載敏感多路換向閥|PCV22多路換向閥
用途與特征
PCV22負載敏感多路換向閥全新理念的閥后補償,整體式四聯結構。兩通壓力補償器用于調節執行元件回油背壓。二次溢流閥有補油型及外控卸荷型兩種形式可供選擇。具有手動及液控兩種操縱模式。整體式結構,產品可靠性更高。背壓調節型壓力補償器,使機構運行更加平穩。相對于傳統的閥后補償產品減少了兩個閥體環槽,因此在相同外形尺寸前提下油道過流面積具有更大空間,壓力損失較小。在手動操縱模式下,外控卸荷型二次溢流閥可供更多的使用便利,如在特殊工況下用來單方向停止機構動作。
性能參數
通徑 | 公稱壓力 | 公稱流量 | 許用背壓 | 先導控制壓力 |
25 | 24 | 250 | 2 | 0.6-2.5 |

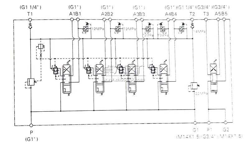
液壓原理圖

外形及連接尺寸

卓力工礦是國內知名PCV22負載敏感多路換向閥生產廠家,有豐富的經驗為客戶提供高品質的PCV22負載敏感多路換向閥及完善的售后服務,如果您想了解最新PCV22負載敏感多路換向閥價格或者更詳細信息,歡迎撥打服務熱線:13280082001 18605374511.或者聯系在線客服:
點擊這里、立刻咨詢;我們攜程為您服務!
常見問題:PCV22負載敏感多路換向閥發貨時間? PCV22負載敏感多路換向閥售后保障? PCV22負載敏感多路換向閥訂貨需要提供什么信息?
產品標簽:PCV22負載敏感多路換向閥|
PCV22多路換向閥
|