TZJ-00坑道鉆機多路換向閥說明書
TZJ-00坑道鉆機多路換向閥
TZJ-00坑道鉆機多路換向閥|TZJ-00組合式多路換向閥
用途與特征
TZJ-00組合式多路換向閥是為全液壓坑道鉆機設計研發的產品。該閥各自執行機構可以單獨動作,以完成整機的各項試驗和測試;同時保證液壓卡盤總是以系統最高壓力夾緊鉆桿,防止打滑;副泵裝有順序閥,無論系統壓力多高,都可以快速打開夾持器。液壓卡盤和夾持器可以實現聯動。
性能參數
通徑 | 公稱壓力 | 公稱流量 | 許用背壓 |
25 | 25 | 250 | 2 |

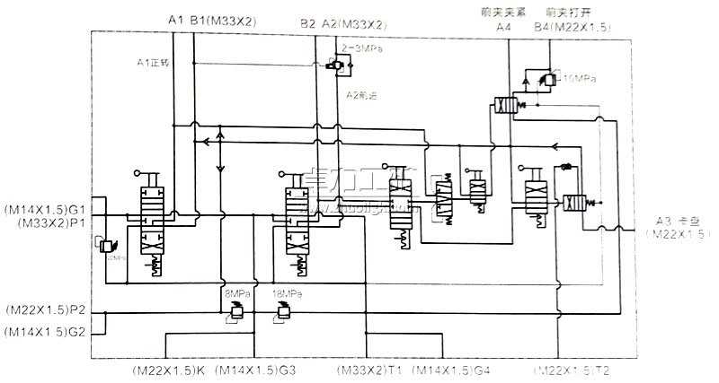
液壓原理圖

外形及連接尺寸

卓力工礦是國內知名TZJ-00坑道鉆機多路換向閥生產廠家,有豐富的經驗為客戶提供高品質的TZJ-00坑道鉆機多路換向閥及完善的售后服務,如果您想了解最新TZJ-00坑道鉆機多路換向閥價格或者更詳細信息,歡迎撥打服務熱線:13280082001 18605374511.或者聯系在線客服:
點擊這里、立刻咨詢;我們攜程為您服務!
常見問題:TZJ-00坑道鉆機多路換向閥發貨時間? TZJ-00坑道鉆機多路換向閥售后保障? TZJ-00坑道鉆機多路換向閥訂貨需要提供什么信息?
產品標簽:TZJ-00坑道鉆機多路換向閥|
TZJ-00組合式多路換向閥
|
上一篇:JY20F汽車起重機多路換向閥
下一篇:XZJ-A坑道鉆機多路換向閥